Conical Coil Spring Mechanical Seal
TYPE: 31

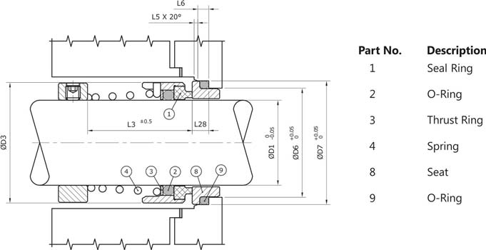
Conical Coil Spring Mechanical Seal Seal Type 31 looking from Sliding Face of the Rotating Seal Ring is designed as Right Hand Shaft Rotation which needs Right Hand Spring and Vice Versa. These Seals are Cost Effective Seals for Basic Application Equipment such as Centrifugal Pump and other Equipment with Rotating Shaft, Handling Water, Oils, Fuels, Mild Chemicals and Liquids Containing of Low Quantity of Abrasive. We are the manufacturer of Conical Coil Spring Mechanical Seal, Pusher Mechanical Seals in Mumbai INDIA.
FEATURES
- Conical Single Coil Spring Mechanical Seal.
- Inside mounted.
- Unbalanced Pusher Mechanical Seals.
- Spring design depended on Shaft Rotation with Central Tapered Spring.
Materials
- Seal Ring Faces : Cabon, SiC and TC
- Seat Faces : NiR, Ceramic, SiC and TC
- Elastomer : Viton, Neoprene, EPDM, NBR and Buna-N
- MOC : SS 316
Operating Capabilities
- Shaft Dia. : 10mm to 100mm
- Pressure : Up to 7 bar
- Temperature : -20°C to 140°C
- Speed: 3000 r.p.m.


Download our comprehensive product catalogue to explore complete technical specifications, material options, and design details for all types of mechanical seals and sealing solutions.
