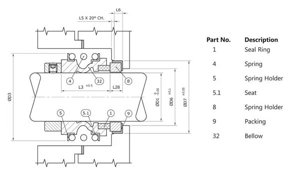
Rubber Bellow Mechanical Seal
TYPE: 21

The Seal Type 21 is a Compact Single Spring Rubber Bellow Mechanical Seals for universal general purpose for Water / Water Based Solution like Oils, Fuels and Other Fluids and even with some Content with Abrasive and for a very wide operating condition designed for Centrifugal Pump. Rotary Equipment and Industrial applications (Food Processing, Water System, Waste Water Treatment for Petrochemical Processing, Pulp and Paper)
FEATURES
Single, low cost and mass produced Mechanical Seal with Rubber Bellow. Central Point Non-Clogging Coil Spring Seal. Spring Design Seal is suitable for duel-direction of Shaft Rotation. Bellow Design Seals for Pressure supported and eliminates folds. Bellow Seals Protecting against Twisting. Unitize, easy-to-fit design seals
Materials
- Seal Ring Faces : Cabon, SiC and TC
- Seat Faces : NiR, Ceramic, SiC and TC
- Elastomer : Viton, Neoprene, EPDM, NBR and Buna-N
- MOC : SS 304 / SS 316
Operating Capabilities
- Shaft Dia. : 10mm to 100mm
- Pressure : Up to 8 bar
- Temperature : -20°C to 180°C
- Speed: 3000 r.p.m.


Download our comprehensive product catalogue to explore complete technical specifications, material options, and design details for all types of mechanical seals and sealing solutions.
