Single Spring Mechanical Seal
TYPE: 61U & 62U

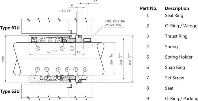
Seal Type 61U Single Spring Mechanical Seal are are designed and manufactured to meet all the requirements and most suitable for this applications. These seal are Internally Mounted Unbalanced design which Seal having ‘O’ Ring as a Secondary Sealing member. Seal Type 62U Mechanical Seal are Internally Mounted Unbalanced design which Seal having PTFE Wedge as a Secondary Sealing member. Secondary Sealing member can be changed as per Chemical Compatibility. The Helical Coil Spring designed Seal help to Seal the Dirty and Clogging type of application. Construction of these Seals designs hold whole Rotary Parts together with the help of Snap Rings which is make easiest for Installation and Removal.
FEATURES
- Single Acting Unbalance Pusher type Mechanical Seal.
- Dual Directional Mechanical Seal.
- Inside Mounted Mechanical Seal.
- Independent Direction of Rotation.
- Type 62 seal having Universal Chemical Compatibility due to design of PTFE Elastomer
Materials
- Seal Ring Faces : Cabon, GFT, SiC and TC
- Seat Faces : Ceramic, SiC and TC
- Elastomer : Viton, PTFE, EPDM, NBR, Buna-N
- MOC : SS 316
Operating Capabilities
- Shaft Dia. : 10mm to 100mm
- Pressure : Up to 8 bar
- Temperature : -20°C to 260°C (Depending upon Elastomer)
- Speed: 3000 r.p.m.


Download our comprehensive product catalogue to explore complete technical specifications, material options, and design details for all types of mechanical seals and sealing solutions.
